旋涡气泵特点
旋涡气泵的叶轮由数十片叶片组成。它类似庞大的气轮机的叶轮。当旋涡气泵旋转时,叶轮叶片中间的空气受到了离心力的作用,向叶轮的边缘运动,在那里空气进入泵体环形空腔,然后又返回叶轮,重新从叶片的起点以同样的方式进行循环。叶轮旋转所产生的循环气流,以极高的能量离开气泵以供使用(它所产生的压力是同转速同直径离心机的12-17倍) 旋涡气泵采用专用电机,结构紧凑、体积小、重量轻、噪音低不需要变速装置,送出的气源无水无油。
XGB系列旋涡气泵用途:
XGB系列旋涡气泵是一种吸气或吹气两用的通用气源。它主要用于:切纸机、燃烧降气机、卷烟滤嘴成型机,电镀槽液搅拌、雾化干燥机、水处理爆气、养鱼增气、丝网印刷机、照相制版机、注塑机自动上料烘干机、液体灌装机、粉末灌装机、电焊设备,电影机械、纸张输送、干洗衣服的清洁、空气除尘、干瓶、气体传送、送料、收集等方面。
本公司旋涡气泵的分类
本公司旋涡气泵包括:上出风、下出风系列旋涡气泵;立式系列、分体式漩涡气泵;防爆系列旋涡气泵、双级旋涡气泵等。
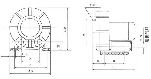
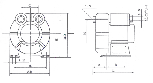
旋涡气泵示意图
旋涡气泵安装尺寸图
| 型号 | L | AB | HD | C | B | M | H | S | A | E | N | M(注) | K |
| XGB16-110 | 300 | 290 | 340 | 100 | 160 | 250 | 90 | M8 | 240 | 45 | G1.5 " | 155 | M10 |
| XGB18-135 | 300 | 290 | 340 | 100 | 160 | 250 | 90 | M8 | 240 | 45 | G1.5 " | 155 | M10 |
| XGB26-180 | 310 | 350 | 380 | 120 | 200 | 265 | 100 | M8 | 310 | 45 | G2 " | 175 | M10 |
| XGB28-210 | 370 | 370 | 410 | 125 | 140 | 275 | 360 | M10 | 265 | 125 | G2 " | 205 | M10 |
| XGB28-210 下 | 370 | 370 | 410 | 125 | 200 | 275 | 105 | M10 | 300 | 45 | G2 " | 205 | M10 |
| XGB30-300 | 420 | 410 | 430 | 140 | 175 | 300 | 375 | M10 | 300 | 150 | G2.5 " | 280 | M12 |
| XGB30-300 下 | 420 | 410 | 430 | 140 | 250 | 300 | 110 | M10 | 310 | 55 | G2.5 " | 280 | M12 |
| XGB33-330 | 430 | 440 | 450 | 140 | 175 | 300 | 390 | M10 | 325 | 150 | G2.5 " | 240 | M12 |
| XGB33-330 下 | 430 | 440 | 450 | 140 | 250 | 300 | 110 | M10 | 310 | 55 | G2.5 " | 240 | M12 |
| XGB40-380 | 510 | 470 | 500 | 160 | 190 | 345 | 430 | M12 | 380 | 185 | G2.5 " | 275 | M13 |
| XGB40-380 下 | 510 | 470 | 500 | 160 | 300 | 345 | 115 | M12 | 360 | 70 | G2.5 " | 275 | M13 |
| XGB45-500 | 530 | 510 | 530 | 175 | 190 | 345 | 450 | M12 | 380 | 205 | G2.5 " | 335 | M13 |
| XGB45-500 下 | 530 | 510 | 530 | 175 | 300 | 345 | 115 | M12 | 360 | 70 | G2.5 " | 335 | M13 |
| XGB50-800 | 660 | 590 | 630 | 220 | 400 | 405 | 525 | M16 | 400 | 140 | G3 " | 365 | M16 |
| XGB50-800 下 | 660 | 590 | 650 | 220 | 450 | 430 | 130 | M16 | 450 | 120 | G3 " | 365 | M16 |
| XGB50-900 | 660 | 590 | 630 | 220 | 400 | 405 | 525 | M16 | 400 | 140 | G3 " | 365 | M16 |
| XGB50-900 下 | 660 | 590 | 650 | 220 | 450 | 430 | 130 | M16 | 450 | 120 | G3 " | 365 | M16 |
| XGB50-1050 | 720 | 590 | 630 | 220 | 400 | 405 | 525 | M16 | 400 | 140 | G3 " | 365 | M16 |
| XGB50-1050 下 | 720 | 590 | 650 | 220 | 450 | 430 | 130 | M16 | 450 | 120 | G3 " | 365 | M16 |
| XGB55-1250 下 | 850 | 650 | 700 | 230 | 500 | 480 | 140 | M16 | 500 | 120 | ¢ 100 | 365 | M16 |
| XGB55-1500 下 | 850 | 650 | 700 | 230 | 500 | 480 | 140 | M16 | 500 | 120 | ¢ 100 | 365 | M16 |
注: M 尺寸为立式安装泵盖 K 位等径 3 份








